Menunjukkan kemampuan kapasitor untuk menyimpan muatan listrik. Secara matematis didefenisikan sebagai perbandingan tetap antara muatan (Q) yang tersimpan dalam kapasitor terhadap beda potensial (V) antara kedua konduktornya
Kapasitor keping sejajar terdiri dari dua keping konduktor yang luasnya sama dan dipasang sejajar.
Jika ruang diantara dua keping kosong, maka besar kapasitasnya adalah :
Jika ruang antara keping diisi zat dielektrik maka kapasitasnya menjadi :
Sebuah kapasitor keping sejajar, luas tiap kepingnya 2000 cm2 dan terpisah sejauh 1 cm satu sama lain. Beda potensial di antara keping 3000 V bila terisi udara, tetapi beda potensial menjadi 1000 V ketika diantara keping disisipkan bahan dielektrik. Besar kapasitas kapasitor mula-mula dan kapasitas setelah penyisipan bahan dielektrik adalah … (εo = 9 x 10-12 C2N-1m-2)
(a) Besar kapasitas mula-mula
(b) kapasitas setelah di isi bahan dielektrik
Muatan Q pada tiap-tiap keping :
Kapasitas setelah penyisipan bahan dielektrik :


Sebuah kapasitor keping sejajar diudara mempunyai kapasitas C. Bila jarak antara keduakepingnya diubah menjadi ½ kali semula dan kedua keping dicelupkan kedalam bahan dielektrik dengan konstanta dielektrik = 2, maka kapasitasnya menjadi …
- Kapasitas dari kapasitor dapat diubah dengan berbagai cara
- Apabila perubahan kapasitas dilakukan setelah hubungan kapasitor dengan baterai dilepaskan terlebih dahulu, maka muatan yang tersimpan dalam kapasitor tidak berubah
Q1= Q2 » C1 V1 = C2V- Apabila hubungan kapasitor dengan baterai dipertahankan maka beda potensial kaki kapasitor tidak berubah
V1 = V2 Baca juga :
Sebuah kapasitor keping sejajar mempunyai kapasitas C dan jarak antar keping adalah d. Keping yang satu diberi muatan listrik +Q dan keping lain diberi muatan -Q sehingga besar potensianya V. Jika jarak antar keping diubah menjadi 4 d, sedangkan muatan pada kapasitor tetap, besarnya kapasitas dan beda potensialnya akan menjadi …


Kapasitor dapat dirangkai secara seri, paralel atau gabungan seri dan paralel

P Pada rangkaian kapasitor seri berlaku :
- Muatan tiap-tiap kapasitor sama, yaitu sama dengan muatan total pada kapasitor itu
Q1 = Q2 = Q3= Qtotal- Beda potensial total pada rangkaian sama dengan jumlah beda potensial pada tiap-tiap kapasitor
V1 + V2 + V3+ V4 = Vtotal- Kapasitas total rangkaian :

Pada rangkaian paralel berlaku :- Muatan kapasitor total = jumlah muatan pada tiap-tiap kapasitor
Q1 + Q2 + Q3 = Qtotal- Beda potensial tiap kapasitor = beda potensial total pada rangkaian
V1 = V2 = V3 = V4 = Vtotal- Kapasitas total rangkaian :
C1 + C2 + C3 = Ctotal
Langkah-langkah menyelesaikan soal rangkaian kapasitor campuran seri-paralel
(a) Hitung terlebih dahulu kapasitas rangkaian
(b) Hitung muatan total pada rangkaian
(c) Pada rangkaian seri, masukkan nilai muatan
(d) Pada rangkaian paralel, masukkan nilai beda potensial
Dua kapasitor dengan kapasitas C1 = 30 pF dan C2 = 60 pF dihubungkan seri, lalu dipasang pada tegangan listrik 100 V, seperti ditunjukkan oleh gambar. Hitung besar muatan listrik dan beda potensial pada masing-masing kapasitor
jawab :
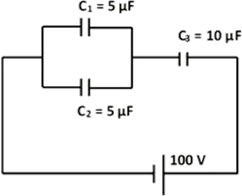
Perhatikan gambar dibawah ini !
Dalam rangkaian tersebut, besar muatan listrik yang menempati kapasitor 10 µF dan 5 µF
Pada saat muatan listrik diberikan terhadap kapasitor terjadi perpindahan muatan dari satu keping ke keping lainnya. Besar usaha yang dilakukan untuk memindahkan muatan tersebut dapat dituliskan :
contoh soal :
Perhatikan gambar berikut ini !
Besar energi yang tersimpan dalam kapasitor 5µF adalah ...
Halo good learner, hari ini @studygramfisika akan berbagi catatan kelas 12 Listrik Statis part 3. Listrik statis part ketiga ini akan membahas mengenai kapasitor, kapasitor keping sejajar, kapasitansi, dan juga rangkaian kapasitor. Saya sarankan adik-adik juga membaca listrik statis 1 dan listrik statis 2 ya. Bagi adik-adik yang mau download catatan lengkapnya silakan klik link berikut :
Password : 6781
Silahkan Corat Coret dibawah